|
Установка сигнализации своими руками
|
|
| самоделкин | самоделкинДата: Воскресенье, 2012-03-25, 11:21 | Сообщение # 1 |
 Юный Bongoвод
Группа: Проверенные
Город: Петропавловск-Камчатский
Сообщений: 1
| Доброго времени суток Намедни приобрел Бонго 2х кабинник 12г выпуска не турбо,хочу поставить сигналку, а без схем по машине шарить не хоться если у кого есть информация по точкам подключения то буду премного благодарен!
ptashin
|
| |
| |
| Shai | ShaiДата: Понедельник, 2013-06-10, 13:54 | Сообщение # 2 |
 Bongoвод экстримал
Группа: Проверенные
Город: Иркутск
Сообщений: 343
| тоже интересует реально ли самому подключить tomahawk tw9030
KN3HAP8N18K279438
|
| |
| |
| Voevoda | VoevodaДата: Понедельник, 2013-06-10, 20:47 | Сообщение # 3 |
 Опытный Bongoвод
Группа: Проверенные
Город: Чукотка, г.Анадырь
Сообщений: 165
| Реально, НО! Схема будет нужна. Выкладывайте схемы по машинкам и схемы подключения сигналок(монтажные). Бум разбираться. Без схемы машины,только в специализированных центрах.
"- Делаем Мир лучше, иногда своими руками."
|
| |
| |
| MOLIK | MOLIKДата: Понедельник, 2013-06-10, 22:11 | Сообщение # 4 |
 Администратор
Группа: Администраторы
Город: Владивосток
Сообщений: 3129
| Обязательно все концы паять, и нужно обход для педали сцепления сделать, что бы автозапуск работал
KIA BONGO FRONTIER, 2003 doublecab, 4WD, МКПП, двиг JT VIN KN3HDP3363K952760 Поддержи форум ТУТ
|
| |
| |
| godzik | godzikДата: Понедельник, 2013-06-10, 22:52 | Сообщение # 5 |
 Bongoвод экстримал
Группа: Проверенные
Город: Новокузнецк
Сообщений: 254
| поставил стар лайн с авто запуском ( не сам мастер ) загвоздка была в центральном замке дерей (хотели родной брелок на отрывание оставить) не получилось,пришлось релюху полностью убирать тогда смог откр. дверей через сигналку подключить. а так зиму прозимовал нормально с четырмя видами заводки ))))))Добавлено (10.06.2013, 22:52) --------------------------------------------- обход педали сцепления не делали ( у меня нет этого)
KIA BONGO 3 2009г. двиг J3 обьем 2.9 1.2т. задний привод VIN KNCWF03429K404763
|
| |
| |
| Voevoda | VoevodaДата: Вторник, 2013-06-11, 07:40 | Сообщение # 6 |
 Опытный Bongoвод
Группа: Проверенные
Город: Чукотка, г.Анадырь
Сообщений: 165
| godzik, Цитата (godzik) загвоздка была в центральном замке дерей (хотели родной брелок на отрывание оставить) не получилось,пришлось релюху полностью убирать тогда смог откр. дверей через сигналку подключить. А можно про это подробнее? Я себе Стар Лайн А91 поставил и брелки оставил родные,всё работает.
"- Делаем Мир лучше, иногда своими руками."
|
| |
| |
| godzik | godzikДата: Вторник, 2013-06-11, 23:50 | Сообщение # 7 |
 Bongoвод экстримал
Группа: Проверенные
Город: Новокузнецк
Сообщений: 254
| я не электрик обьяснить не смогу видел что с релюхой не получалось сигналкой двери открывать а как ее вытащил так все нормально стало только родной брелок не стал работать. может ему просто лень было расбираться и он ее просто отключил и сделал все через сигналку.
KIA BONGO 3 2009г. двиг J3 обьем 2.9 1.2т. задний привод VIN KNCWF03429K404763
|
| |
| |
| AlRu38 | AlRu38Дата: Четверг, 2013-06-13, 13:05 | Сообщение # 8 |
 Bongoвод экстримал
Группа: Проверенные
Город: Бодайбо, Иркутской
Сообщений: 454
| Цитата (godzik) видел что с релюхой не получалось сигналкой двери открывать а как ее вытащил так все нормально стало только родной брелок не стал работать. Как вариант, не влазить в схему управления замками дверей, а поставить отдельный актуатор.
BONGO III; 4wd; D4CB; бортовой; 2012г.; KNCSHZ76LCK657849;
|
| |
| |
| Shai | ShaiДата: Пятница, 2013-12-27, 01:36 | Сообщение # 9 |
 Bongoвод экстримал
Группа: Проверенные
Город: Иркутск
Сообщений: 343
| сегодня поставили(в сервисе) tomahawk 9030 все вроде в норме но изза встроенного иммобилайзера, в клоюче чип,автозапуск не работает.электрик говорит можно сделать копию ключа а оригинал распилить и чип вставить в считыватель в районе замка. как быть кто как это обходил? и у меня еще родной брелок работает откр закр двери
KN3HAP8N18K279438
|
| |
| |
| MOLIK | MOLIKДата: Пятница, 2013-12-27, 01:47 | Сообщение # 10 |
 Администратор
Группа: Администраторы
Город: Владивосток
Сообщений: 3129
| Цитата Shai (  ) как быть кто как это обходил? СТАНДАРТНЫЙ ЗАМУТ
KIA BONGO FRONTIER, 2003 doublecab, 4WD, МКПП, двиг JT VIN KN3HDP3363K952760 Поддержи форум ТУТ
|
| |
| |
| Shai | ShaiДата: Пятница, 2013-12-27, 11:09 | Сообщение # 11 |
 Bongoвод экстримал
Группа: Проверенные
Город: Иркутск
Сообщений: 343
| всмысле?
KN3HAP8N18K279438
|
| |
| |
| MOLIK | MOLIKДата: Пятница, 2013-12-27, 23:10 | Сообщение # 12 |
 Администратор
Группа: Администраторы
Город: Владивосток
Сообщений: 3129
| При установки сигналок на машины у которых есть чип-ключ, делают клон чипа и прикручивают под панелью, хотя бы для того что бы работал автозапуск. Я первый раз с этим столкнулся лет 5-6 назад при установки сигналки на Витца.
KIA BONGO FRONTIER, 2003 doublecab, 4WD, МКПП, двиг JT VIN KN3HDP3363K952760 Поддержи форум ТУТ
|
| |
| |
| Shai | ShaiДата: Суббота, 2013-12-28, 19:55 | Сообщение # 13 |
 Bongoвод экстримал
Группа: Проверенные
Город: Иркутск
Сообщений: 343
| Цитата MOLIK (  ) При установки сигналок на машины у которых есть чип-ключ, делают клон чипа и прикручивают под панелью, хотя бы для того что бы работал автозапуск. Я первый раз с этим столкнулся лет 5-6 назад при установки сигналки на Витца. мда. но мне предложили просто родной ключ распилить, тоесть встроенного иммо теперь не будет. придется жертвовать
KN3HAP8N18K279438
|
| |
| |
| ремесленник | ремесленникДата: Суббота, 2013-12-28, 20:03 | Сообщение # 14 |
 Профессионал-экстримал
Группа: Проверенные
Город: Каменск-Уральский
Сообщений: 3209
| Цитата Shai (  ) мда. но мне предложили просто родной ключ распилить, тоесть встроенного иммо теперь не будет. придется жертвовать на сколько знаю, сейчас есть обходчики (блок) иммобилайзера, ключ в этом случае не надо прятать под обшивкой
Kia Bongo 3, KN90J4MDDDCB9K748, 2013г, 4WD, LD, D4CB, лимитед, дублькаб, фургон
|
| |
| |
| Shai | ShaiДата: Суббота, 2013-12-28, 22:46 | Сообщение # 15 |
 Bongoвод экстримал
Группа: Проверенные
Город: Иркутск
Сообщений: 343
| Цитата ремесленник (  ) на сколько знаю, сейчас есть обходчики (блок) иммобилайзера, ключ в этом случае не надо прятать под обшивкой он мне предложил два варианта 1)приедет какой то специальный чел,расчипует и чего то там. дальше не помню это будет стоить около 4т.р. и 2) тупо спрятать чип под обшивкой стоимость 500р. так что из экономических соображений скорее всего воспользуюсь вторым вариантом. просто хотел поинтересоваться кто как поступил в этом случае
KN3HAP8N18K279438
|
| |
| |
| gordo | gordoДата: Вторник, 2015-03-31, 16:57 | Сообщение # 16 |
 Юный Bongoвод
Группа: Проверенные
Город: Ачинск
Сообщений: 16
| Нужна помощью по установке StarLine A91 на киа бонго 3 2008г.в. центрального замка нет, есть тахометр,полный привод, двух кабинник , мкпп.Нужны точки подключения, маркировки радной проводки и где находятся. Может кто сам ставил? На спецов денег нет так как все деньги вложил в покупку машины. Добавлено (28.03.2015, 03:44) --------------------------------------------- Завтра буду ставить, на пару с другом. У него опыта по установке подобных сигналок побольше чем у меня. Добавлено (31.03.2015, 16:57) --------------------------------------------- Три дня почти без вылозно из гаража. И сигалка на месте. Первый день пришлось разобрать всю приборную панель, чтобы добраться до нужной проводки и спрятать сигналу. После долгих расшифровок проводки машины вычислил точки подключения, кроме точки подключения контроля работы двигателя. Пришлось сделать контроль по напряжению в бортовой сети. Честно говоря ни времени ни нервов нехватило найти её, так как друг оставил меня в первый же день, оставив меня один на один с этой задачей. Слава Богу нашолся и центральный замок, был подключен к китайской сигнале отклченной от питания.
|
| |
| |
| login | loginДата: Среда, 2025-10-29, 17:42 | Сообщение # 17 |
 Студент Bongoвод
Группа: Проверенные
Город: novosibirsk
Сообщений: 57
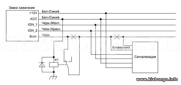
| Установка сигнализации на Kia Bongo Точки подключения автосигнализации на KIA Bongo 2009 Замок зажигания: + 12V – красный ACC – тонкий красный IGN1 – зелёный IGN2 – оранжевый Start – жёлтый Жгут к приборке: концевик дверей (-) – чёрный/оранжевый повороты (+) – зелёный и зелёный/оранжевый
ручник (-) – синий/чёрный генератор (+) – зелёный Иммо не было. Сигнала тахометра на приборке нет, придётся контроль подключать по генератору. Но сиг- нал генератора очень не благоприятный. При включенном зажигании на проводе 2,7В, при заведённом 13В. Вот смущает, что при включенном зажигании так много. Если под- ключить его напрямую к сигнализации, то она эти 2,7В распознаёт как двигатель заведён, хотя он ещё не заведён, и стартер может да не сработать. Тогда делаем вот такую схему:
KIA BONGO FRONTIER, 2002 doublecab, 4WD, МКПП, двиг JT VIN KN3HDP3362K858496
Сообщение отредактировал login - Среда, 2025-10-29, 17:43 |
| |
| |
| login | loginДата: Среда, 2025-10-29, 17:50 | Сообщение # 18 |
 Студент Bongoвод
Группа: Проверенные
Город: novosibirsk
Сообщений: 57
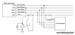
| Точки подключения автосигнализации на Kia Bongo III 2012Жгут замка зажигания: + 12 – красный толстый и оранжевый стартер – жёлтый зажигание – зелёный зажигание 2 – оранжевый, над зелёным асс – красный (потоньше)центральный замок (-) – белый/чёрный (отпирание) и синий/чёрный (запирание) на блоке центрального замкаПанель приборов: концевики дверей (-) – чёрный/оранжевый, 20-ти контактный разъём габариты – красный/чёрный, 16-ти контактный разъём повороты – повороты, 20-ти контактный разъём тахометр – зелёный (не крайний), 16-ти контактный разъёмтормоз – белый, лягушкаКогда ключом поворачиваешь в положении АСС при заведённом дистанционно или автоматически двигателе происходит включение стартера. Чтобы этого не было собираем схему, как показано на этом рисунке. Конечно же, цвета на замке зажигания в нашем случае другие. Но смысл тот же: надо разорвать через реле провод стартера при включении АСС. Вместо постоянной массы можно взять минус с дополнительного канала (например, выход для обхода иммобилайзера).Иммобилайзера не было.
KIA BONGO FRONTIER, 2002 doublecab, 4WD, МКПП, двиг JT VIN KN3HDP3362K858496
|
| |
| |
| login | loginДата: Среда, 2025-10-29, 17:54 | Сообщение # 19 |
 Студент Bongoвод
Группа: Проверенные
Город: novosibirsk
Сообщений: 57
|
KIA BONGO FRONTIER, 2002 doublecab, 4WD, МКПП, двиг JT VIN KN3HDP3362K858496
|
| |
| |